Cu ajutorul ZWO roată de filtre motorizată pentru 7 × 2" filtre, putem schimba filtrele rapid și ușor, controlându-le de pe calculatorul nostru, ceea ce oferă un confort semnificativ atât pentru observațiile vizuale, cât și pentru cele fotografice.
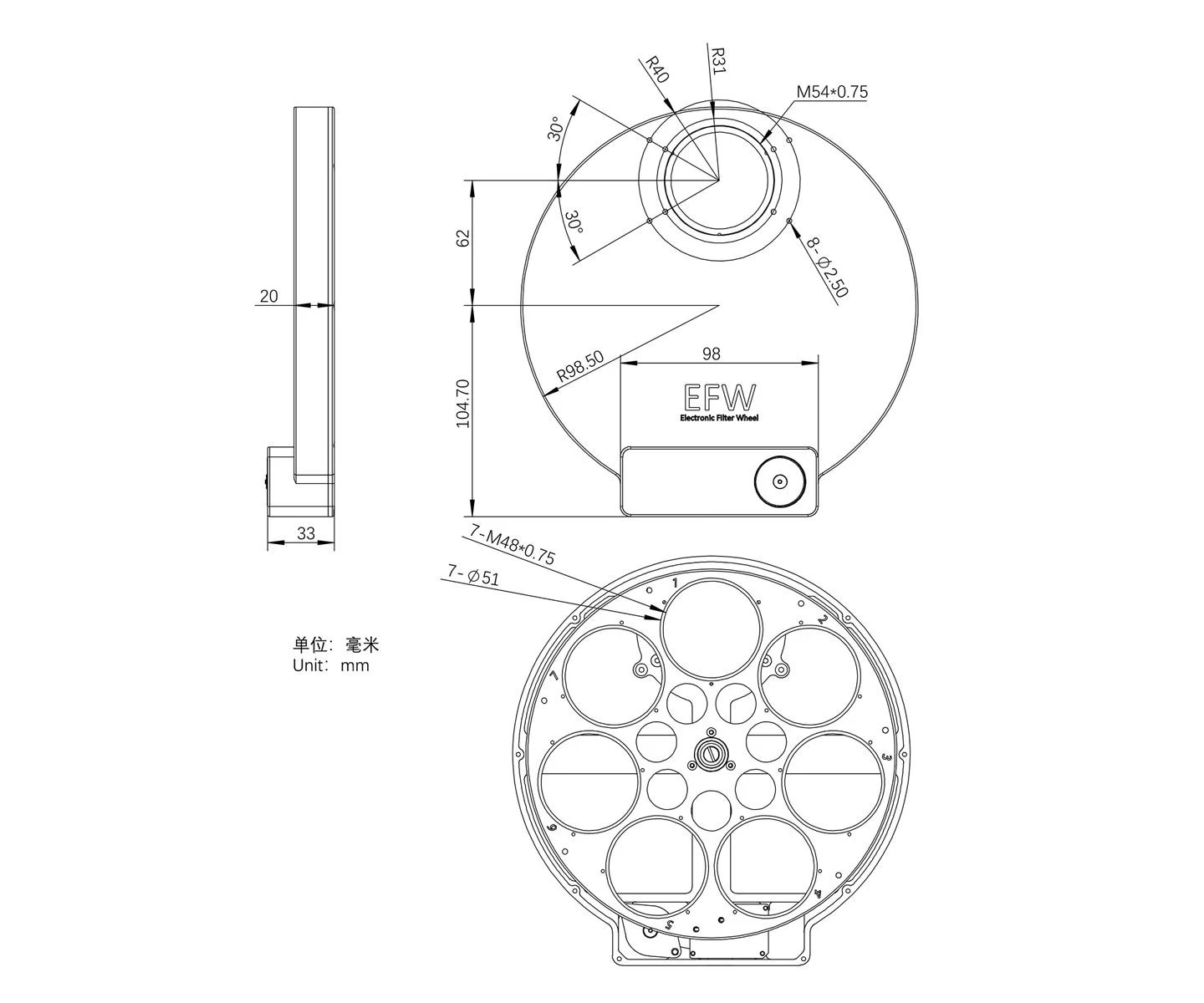
Roata de filtre are filet M54 (model 7×2") pe ambele părți pentru montarea la telescop și cameră. Se conectează la calculator prin portul USB 2.0, iar după instalarea driverului ASCOM, poate fi controlată cu orice software compatibil. Alimentarea roții de filtre se face tot prin portul USB 2.0, astfel că nu sunt necesare mai multe cabluri, fiind suficient un singur cablu USB. Consumul maxim de curent al roții de filtre ZWO motorizate este de aproximativ 120 mA @ 5V, ceea ce permite funcționarea de la portul USB2.0 al unei camere CCD cu răcire. În pachet se găsesc inele adaptor M54/M48 și M54/T2 pentru montarea diferitelor dispozitive.
ZWO roată de filtre motorizată este construită într-un cadru de aluminiu de înaltă calitate, având o lățime de doar 20 mm și o greutate de 650 de grame. Datorită designului său subțire, poate fi plasată surprinzător de aproape de senzorul camerei, astfel încât nu trebuie să ne facem griji cu privire la vignetare, chiar și în cazul telescoapelor cu raport focal mare.
ZWO roată de filtre motorizată dispune de 7 locașuri. Acest număr de filtre diferite satisface nevoile celor cu adevărat dedicați observațiilor planetare și de adâncime. Ce filtre ar trebui utilizate cu roata de filtre? Pentru observațiile vizuale de adâncime, sunt recomandate filtrele de reducere a poluării luminoase și cele cu transmisie îngustă (UHC) care îmbunătățesc vizibilitatea nebuloaselor de emisie și planetare, precum și diverse filtre de linie (OIII, H-beta). Pentru observațiile planetare, se pot alege dintr-o gamă largă de filtre color care facilitează observarea detaliilor de suprafață cu contrast scăzut. Pentru astrofotografie, sunt recomandate filtrele L, R, G, B și/sau filtrele de bandă îngustă (de exemplu, H-alfa, OIII, H-beta).

